1060nm波段半導體光放大器(SOA)系列產品,主要應用于1060nm波段的光放大,為高增益、高功率、低偏振度、寬譜半導體光放大器模塊設計,能顯著提高輸出光功率。具有供貨周期短、性價比高、可靠性高等優點。
系列:SOA-1060-15-G25
單模版本:SOA-1060-15-G25-SM
保偏版本:SOA-1060-15-G25-PM
交付周期短(現貨交付)
1060nm波段半導體光放大器(SOA)系列產品,主要應用于1060nm波段的光放大,為高增益、高功率、低偏振度、寬譜半導體光放大器模塊設計,能顯著提高輸出光功率。具有供貨周期短、性價比高、可靠性高等優點。
交付周期短,自主可控。
|
參數 |
符號 |
工作條件 |
最小值 |
典型值 |
最大值 |
單位 |
|
ASE中心波長 |
λASE |
If=400mA |
- |
1070 |
- |
nm |
|
工作波長 |
λ |
Pin=0dBm |
- |
1060 |
- |
nm |
|
帶寬 |
Δλ |
@-3dB,Pin=-20dBm |
- |
50 |
- |
nm |
|
飽和光功率 |
Psat |
If=400mA,λ=10600nm,Pin=5dBm |
- |
+15 |
- |
dBm |
|
偏振消光比(保偏) |
Per |
- |
20 |
- |
- |
dB |
|
小信號增益 |
G |
If=400mA,Pin=-25dBm,λ=1060nm |
- |
25 |
- |
dB |
|
噪聲系數 |
NF |
- |
- |
7.5 |
10 |
dB |
|
正向電壓 |
Vf |
- |
- |
- |
2 |
V |
|
工作電流 |
If |
- |
- |
400 |
600 |
mA |
|
TEC電壓 |
VTEC |
- |
- |
- |
3.4 |
V |
|
TEC電流 |
ITEC |
- |
- |
- |
1.8 |
A |
|
功耗(總) |
P |
- |
- |
- |
4 |
W |
|
熱敏電阻阻值 |
Rtherm |
T=25℃ |
9.5 |
10 |
10.5 |
KΩ |
|
熱敏電阻電流 |
Itherm |
- |
- |
- |
5 |
mA |
|
氣密性1 |
|
T=25℃ |
1*10-12 |
1*10-11 |
1*10-8 |
Pa.m3/s |
|
工作溫度 |
TC |
I=Iop |
-40 |
- |
60 |
°C |
|
存儲溫度 |
Tstg |
- |
-40 |
- |
85 |
°C |
注1:氣密性數值為管殼封裝數值,排除管殼外部殘留干擾測試得出。
*參數規格如有更改,恕不另行通知,請聯系蘇州leyu集團光電科技有限公司相關銷售人員確認。
|
典型特性 |
|
|
|
|
|
|
|
ASE光譜 |
ASE LIV |
|
|
|
|
|
|
增益vs電流(@不同輸入功率) |
增益vs輸出功率 |
|
|
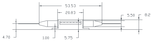
結構尺寸和管腳定義 |
|
|
|
|
|
|
|
|
||
|
|
|
|
|
訂貨信息 |
產品描述 |
|
|
SOA-1060-15-G25-SM-FA |
1060nm波段-15dBm飽和輸出功率-25dB增益-蝶形封裝-單模光纖-FC/APC接頭 |
|
|
SOA-1060-15-G25-PM-FA |
1060nm波段15dBm飽和輸出功率-25dB增益-蝶形封裝-保偏光纖-FC/APC接頭 |
|
